气源处理元件
1、空气过滤器QAF1000~5000系列
2、减压阀QAR1000~5000系列
3、减雾器QAL1000~5000系列
4、空气过滤减压阀QAW1000~4000系列
5、空气过滤组合(二联件)QAC1010~4010系列
6、空气过滤组合(三联件)QAC1000~5000系列
7、空气过滤器QSL系列
8、空气减压阀QTY系列
9、油雾器QIU系列
10、过滤器AF.BF系列
11、调压阀AR.BR系列
12、油雾器AL.BL系列
13、过滤调压阀AFR.BFR系列
14、三点组合(三联件)AC.BC系列
15、二点联件(二联件)AFC.BFC系列
气动控制元件
1、电磁阀、气控阀100系列
2、电磁阀、气控阀200系列
3、电磁阀、气控阀300系列
4、电磁阀、气控阀400系列
5、底座100~400系列
6、二位五通换向阀K25系列
7、三位五通换向阀K35系列
8、二位二通换向阀K22J-W系列
9、二位三通换向阀K23J-W系列
10、二位五通换向阀K25J-W系列
11、按钮阀Q23/Q25R3系列
12、手拉阀Q23/Q25R5系列
13、梭阀KS系列
14、脚踏阀4F.FV系列
15、快速排气阀KKP系列
16、手动转阀QR8系列
17、电磁阀W223系列
18、单向节流阀KLJA-S系列
19、单向阀KA系列
气动执行元件
1、标准气缸QGS系列
2、冶金气缸JB系列
3、小型气缸QGX系列
4、夹紧气缸QGJ系列
5、薄型气缸QGD系列
6、套缸气缸
液压缸
1、轻型拉杆液压缸W70/140L系列
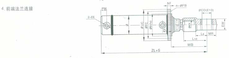
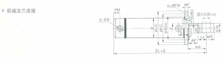
2、工程液压缸HSG系列
3、高压重型液压缸C25/D25系列
气动辅件
1、自锁快速接头
2、卡套式管接头JT系列
3、外插式管接头JWR系列
4、锁母式管接头JSM系列
5、快插式管接头WPC系列
6、消声器KXY系列
7、PU管
首页
产品展示
液压缸
工程液压缸HSG系列
名称:工程液压缸HSG系列
编号:Pro2009101314449
型号:
价格:
厂商:
时间:2009/10/13 15:21:20
点击次数:5518
地址:无锡华清路180号 电话:0510-85092881
E-mail:webmaster@wqqdyy.com
技术支持:
无锡网站建设
www.cn0510.net
苏ICP备11032418号
苏公网安备32021302002370